3.1 Static application
Piston seal – radial deformation .O-ring assembly in inside element.

Rod seal – radial deformation
O-ring assembly in outside element


Flange seal – axial deformation
Pressure from inside: O-ring outside diameter must be compressed.

Pressure from outside: O-ring inside diameter must be stretched.





3.2 Dynamic seal
For applications our recommendations refer to the diameter range and are dependent upon the section as given in the DIN 3771 Part 1.The dynamic application of O-rings over 250 mm diameter is not recommended.

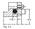
3.2.1 Dynamic seal – hydraulic Rod Seal – radial deformation
O-ring assembled in a gland


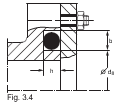
Piston seal – radial deformation
O-ring assembled in a male groove



3.2.2 Dynamic seal – pneumatic Piston seal – radial deformation
O-ring assembled in a male gland

Rod seal – radial deformation
O-ring assembled in a gland



